BORA USTJAB stopcontact
Beschrijving
Productinformatie "BORA USTJAB stopcontact"
Productbeschrijving
Mogelijkheid om kleine elektrische keukentoestellen aan te sluiten
Geschikt voor CH, LI
Tussenring meegeleverd
2 m aansluitkabel geïntegreerd
Uniforme diameter van de boorgaten in het paneel
Geschikt accessoire
compleet BORA systeem
Leveringsomvang
Stopcontact USTJ
Aansluitkabel met landspecifieke stekker 2 m
product- en ontwerpaanwijzingen
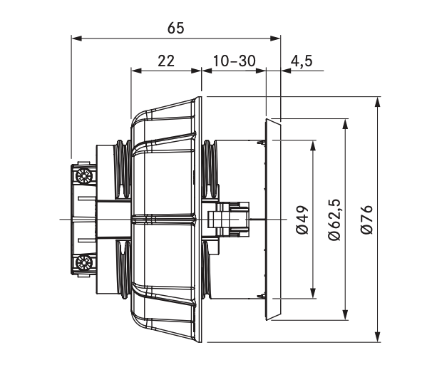
Alleen voor inbouw in keukenkasten met een frontdikte van 10 mm tot 30 mm
Boorgat in het paneel Ø 50 ±0,5 mm
Mogelijkheid om kleine elektrische keukentoestellen aan te sluiten
Geschikt voor CH, LI
Tussenring meegeleverd
2 m aansluitkabel geïntegreerd
Uniforme diameter van de boorgaten in het paneel
Geschikt accessoire
compleet BORA systeem
Leveringsomvang
Stopcontact USTJ
Aansluitkabel met landspecifieke stekker 2 m
product- en ontwerpaanwijzingen
Alleen voor inbouw in keukenkasten met een frontdikte van 10 mm tot 30 mm
Boorgat in het paneel Ø 50 ±0,5 mm
Eigenschappen
| EAN: | 4260326375459 |
|---|---|
| RJ-45: | zonder RJ-45 |
| aantal stekkers: | 1 stekker |
| afsluitbaar: | niet afsluitbaar |
| usb: | zonder USB |
| vorm: | vierkant |